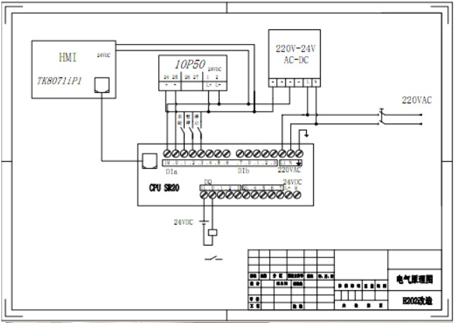
Case introduction: The user's original measurement equipment used domestically produced turbine flow meters and keyboard type quantitative feeding controllers, but the button vulnerability rate was high. According to the user's description of functional requirements, our company has made an upgrade and renovation plan for the user: the flow meter has been changed to a German E+H electromagnetic flow meter, and the data processing and operation interface adopts a PLC+touch screen method.
Case details:




